咨询热线:
产品详情
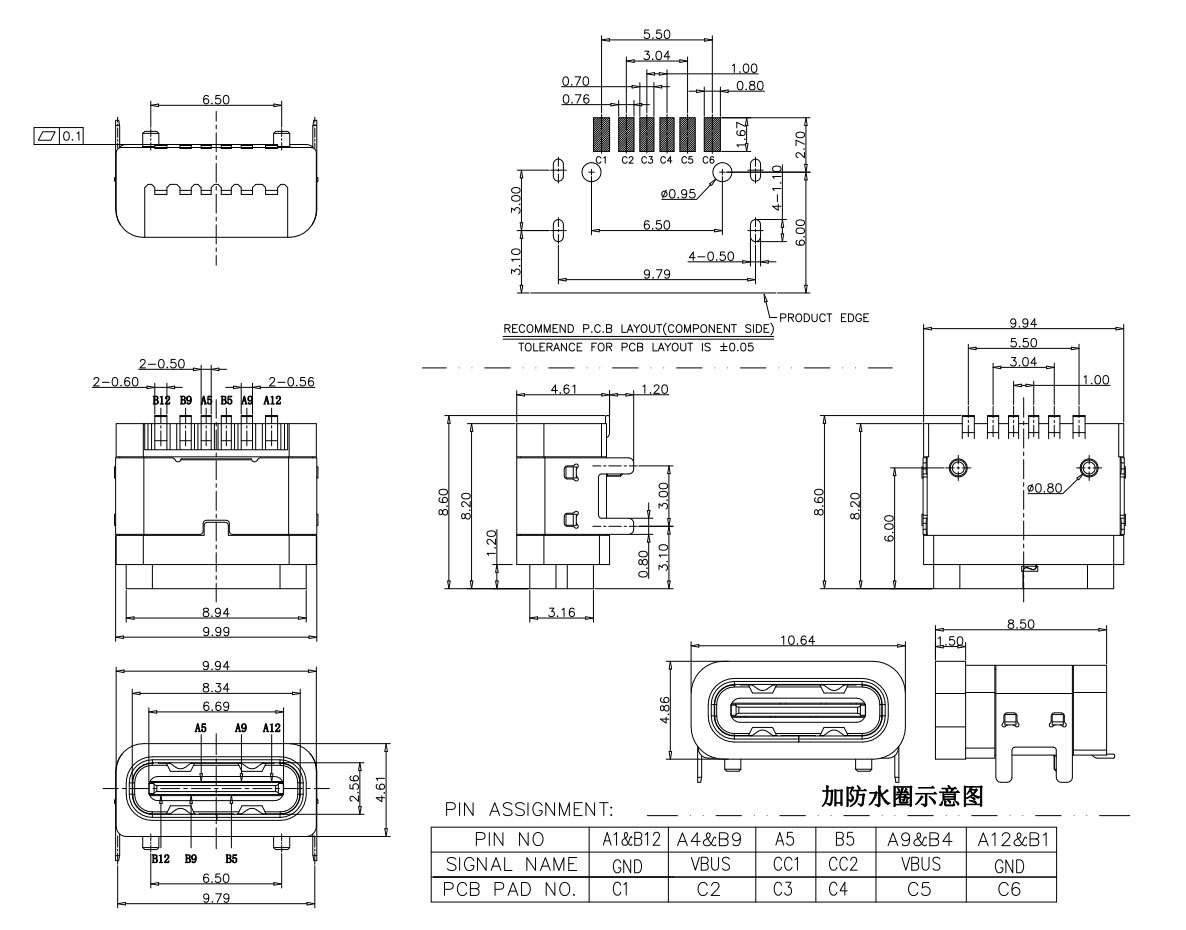
TPC034-TYPE C 6P 板上防水母座(点胶) (外壳4脚插板,端子SMT)
NOTES:
1.CURRENT RATING: 3.0A MAX
2.VOLTAGE: 100 VAC
3.TEMPERATURE RANGE: -30℃~+85℃
4.CONTACT RESISTANCE: 40 MILLIONHM MAX
5.INSULATION RESISTANCE: 100 MEGOHMS MIN
6.LNSERTION FORCE: 5N~20N
7.UNMATING FORCE: 8N-20N
8.DURABILITY: 10000 CYCLES
9.WATER PROOFNESS:THISPRODUCTIS BASED ON IPX7.
1.CURRENT RATING: 3.0A MAX
2.VOLTAGE: 100 VAC
3.TEMPERATURE RANGE: -30℃~+85℃
4.CONTACT RESISTANCE: 40 MILLIONHM MAX
5.INSULATION RESISTANCE: 100 MEGOHMS MIN
6.LNSERTION FORCE: 5N~20N
7.UNMATING FORCE: 8N-20N
8.DURABILITY: 10000 CYCLES
9.WATER PROOFNESS:THISPRODUCTIS BASED ON IPX7.
所属分类
- 产品规格
- 材质用料
- 3D图
-
TYPE C 6P 板上防水母座(点胶) (外壳4脚插板,端子SMT)

-
MATERIAL:
1.SHELL:STAINLESS STEEL ,Ni PLATED 30u"Min
2.CONTACT:COPPER STEEL ,Ni 60u"Min;Au 1u"
3.MID PLATE:STAINLESS STEEL ,NO PLATING
4.MD HOUSING:HIGH TEMPERATURE RESISTANT PLASTIC UL94 V-0
-


相关产品

0755-27711235
点击咨询