咨询热线:
产品详情
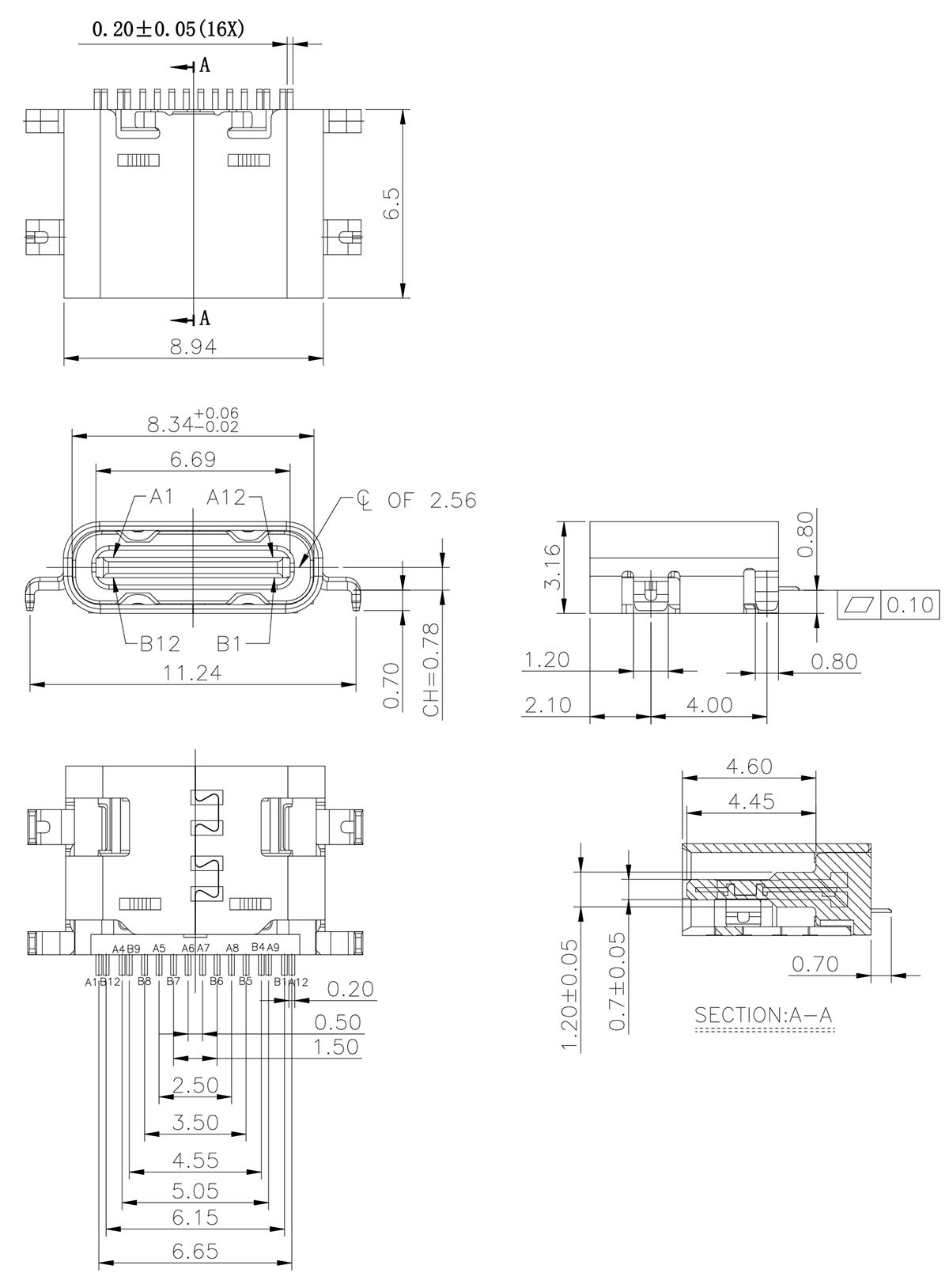
TPC018-TYPE C 母座 16P 沉板0.80 L=6.50 (外壳无弹片)
Notes:
1.Material:See Table.
2.Finished:See Table.
3.Mechenical:
Insertion force: 0.5~2.0kgf.
Removal force: 0.8~2.0kgf.
Durability: 10000 times.
4.Electrical:
Current rating: 5.0A Max.
Voltage rating: 5.0V.
Insulation resistance:100MΩ Min.
Dielectric withstand voltage: AC 100V for 1Minute.
5.Environmental:
Oferating temperature:-30℃~+80℃
6.IR REFLOW:
The peak temperature on the board shall be maintained for 10 seconds at 260℃.
1.Material:See Table.
2.Finished:See Table.
3.Mechenical:
Insertion force: 0.5~2.0kgf.
Removal force: 0.8~2.0kgf.
Durability: 10000 times.
4.Electrical:
Current rating: 5.0A Max.
Voltage rating: 5.0V.
Insulation resistance:100MΩ Min.
Dielectric withstand voltage: AC 100V for 1Minute.
5.Environmental:
Oferating temperature:-30℃~+80℃
6.IR REFLOW:
The peak temperature on the board shall be maintained for 10 seconds at 260℃.
所属分类
- 产品规格
- 材质用料
- 3D图
-
TYPE C 母座 16P 沉板0.80 L=6.50 (外壳无弹片)

-
MATERIAL:
1.SHELL:STAINLESS STEEL ,Ni PLATED 30u"Min
2.CONTACT:COPPER STEEL ,Ni 50u"Min;Au 3u"
3.MID PLATE:STAINLESS STEEL,NO PLATING
4.MD HOUSING:HIGH TEMPERATURE RESISTANT PLASTIC UL94 V-0
-


相关产品

0755-27711235
点击咨询